PIM-Messungen in einem DAS I

Anbieter zum Thema
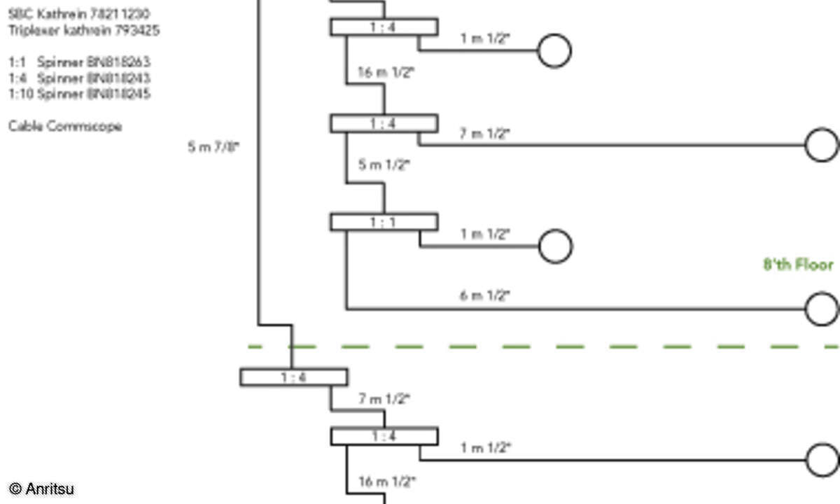
Zur Veranschaulichung des Prozesses sind weiter unten Messungen eines realen DAS aufgeführt, das in einem neunstöckigen Gebäude in Deutschland installiert ist (Bild 2). Das System ist etwa sechs Jahre alt und war ursprünglich für 2G- und 3G-Systeme ausgelegt. Die gesamte Mobilfunkinfrastruktur wurde im obersten (neunten) Stockwerk installiert. Tests waren erforderlich um zu prüfen, ob ein 10 MHz LTE 1800 Overlay auf dem gleichen System implementiert werden kann. Der ursprüngliche Triplexer wurde beibehalten, aber ein neuer 1800 MHz-Port wurde mittels eines "Same-Band Combiner" angeschlossen, um GSM-1800- und LTE-1800-Signale parallel auf dem gleichen Feeder zu führen.
Der Testplan forderte Tests für alle neun Stockwerke, um mögliche Probleme in jedem Geschoß auszuschließen. In anderen Worten: zuerst wurde im 9. Stock gemessen, indem Port 1 des 1:10 Tappers abgeschlossen wurde. Anschließend wurde im 8. Stock gemessen, indem Port 2 des 1:10 Tappers und parallel dazu Port 1 des 1:4 Tappers im 8. Stock abgeschlossen wurden. Auf diese Weise konnte das Geschoß ermittelt werden, in dem das PIM-Problem auftrat.
Um die PIM-Quellen in jedem Stockwerk genau zu lokalisieren, mussten die Feeder-Zuläufe pro Stockwerk unterbrochen werden und jeder freie Splitter-Port mit einer niedrigen PIM-Last abgeschlossen werden. Die am Standort verfügbaren Frequenzen führten gem. zuvor durchgeführter Berechnungen zu IM3 im GSM 1800 und UMTS 2100, IM5 im UMTS 2100 und LTE 2600 und IM7 im LTE 800 Bereich.
Als Beispiel sind die Testergebnisse für das in Bild 2 rot markierte Kabel in Tabelle 2 zusammengefasst. Diese Feeder-Zuführung weist eindeutig PIM-Probleme auf. Die Ursache lag in einer schlechten Verarbeitung am Feeder-Ende, an dem das Jumper-Kabel für die Innenraum-Antenne angeschlossen ist.
Teststandort | Schrankoberseite |
---|---|
Testleistung | +43 dBm |
Rückflussfämpfung | -24 dBm |
durschnittl. PIM | -86 dBm |
Spitzen-PIM | -82 dBm |
Ergebnis | nicht bestanden |